您當前的位置:隔膜泵首頁--隔膜泵產品--DBY型不銹鋼電動隔膜泵
DBY型不銹鋼電動隔膜泵
產品名稱:DBY型不銹鋼電動隔膜泵
DBY型不銹鋼電動隔膜泵產品概述:
DBY型不銹鋼電動隔膜泵,采用BLY系列擺線針輪減速機傳動動力,替代傳統的渦輪渦桿減速機。由于近年來隔膜材質取得了突破性的進展,使不銹鋼電動隔膜泵可更廣泛地取代部分離心泵、螺桿泵、潛水泵、泥漿泵和雜質泵,不銹鋼電動隔膜泵應用于石油、化工、冶金、陶瓷等行業。
DBY型不銹鋼電動隔膜泵產品特點:
1、DBY型不銹鋼電動隔膜泵結構緊湊、體積小、重量輕、裝拆方便;
2、傳動效率高;
3、運轉平穩、噪音低;
4、不銹鋼電動隔膜泵使用壽命長;
5、可無泄漏輸送介質;
6、DBY型不銹鋼電動隔膜泵可承受空載運行;
7、不需灌引水,能自吸;
8、通過性能好,大顆粒雜質、泥漿等均可毫不費力地通過;
9、根據不同介質,隔膜分為氯丁橡膠、氟橡膠、丁腈橡膠、四氟乙烯,完全可以滿足不同用戶的需要。過流部件也可根據用戶要求,分為 鐵、不銹鋼、鋁合金,電機分為普通型和防爆型。
DBY型不銹鋼電動隔膜泵產品用途:
1、各種劇毒、易燃、易揮發液體。
2、各種強酸、強堿、強腐蝕液體。
3、可輸送較高溫度的介質150℃。
4、作為各種壓濾機前級送壓裝置。
5、熱水回收及循環。
6、油罐車、油庫、油品裝卸。
7、泵吸泡菜果醬、土豆泥、巧克力等。
8、泵吸油漆、樹膠、顏料粘合劑。
9、各種瓷器釉漿水泥灌漿灰漿泥漿。
10、各種橡膠漿乳膠、有機溶劑、填料。
11、用泵為油輪駁船清倉吸取倉內污水及剩油。
12、啤酒花及發酵粉稀漿、糖漿、糖蜜。
13、泵吸礦井、坑道、隧道、下水道中污水、沉淀物。
14、各種特殊介質的吸送。
DBY型不銹鋼電動隔膜泵型號意義:
例如:DBY-40
DBY-電動隔膜泵
40-進出口直徑(mm)

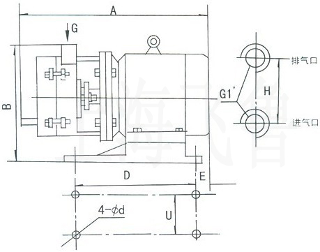
DBY型不銹鋼電動隔膜泵結構簡圖:
 
DBY型不銹鋼電動隔膜泵性能參數:

DBY型不銹鋼電動隔膜泵性能特點:
1、不需灌引水,自吸能力達7米以上。
2、通過性能好,直徑在10毫米以下的顆粒、泥漿等均可以毫不費力地通過。
3、由于隔膜將被輸送介質和傳動機械件分開,所以介質絕對不會向外泄漏。且泵本身無軸封,使用壽命大大延長。根據不同介質,隔膜分為氯丁橡膠、氟橡膠、丁晴橡膠等,完全可以滿足不同用戶的要求。
4、體積小重量輕:由于采用了行星擺線傳動結構,故使泵型獲得小尺寸如與同類型泵來比較,其體積重量均下降一半左右。
5、泵體介質流經部份,可根據用戶要求,分為鑄鐵、不銹鋼、襯膠、電機分為普通式和防爆式(B3d)兩種,目前該泵正應用在下列場合。
DBY型不銹鋼電動隔膜泵規格表:
 
DBY型不銹鋼電動隔膜泵膜片的選擇:
本隔膜泵的主要部件是隔膜,正確選用隔膜可以達到事半功倍的目的,用戶訂貨時須注明輸送介質的性質,以便出廠時配備不同隔膜,一般隔膜有下列幾種:
一、丁晴隔膜,主用于耐油場合。
二、氯丁橡膠,主用于耐丙酮及各種酸類、堿類。
三、氟橡膠,主用于高溫150℃,耐甲苯耐腐蝕。但價格比其它隔膜高。
四、食品橡膠,專用于食品飲料的輸送。
DBY型不銹鋼電動隔膜泵選項須知:
一、①DBY型不銹鋼電動隔膜泵產品名稱與型號②DBY型不銹鋼電動隔膜泵口徑③DBY型不銹鋼電動隔膜泵是否帶附件以便我們的為您正確選型④DBY型不銹鋼電動隔膜泵的使用壓力⑤DBY型不銹鋼電動隔膜泵的使用介質的溫度。
二、若已經由設計單位選定飛魯公司的DBY型不銹鋼電動隔膜泵型號,請按DBY型不銹鋼電動隔膜泵直接向我公司銷售部訂購。
三、當使用的場合非常重要或環境比較復雜時,請您盡量提供設計圖紙和詳細參數,由我們的飛魯公司專家為您審核把關。
上一篇:DBY型渦輪電動隔膜泵
下一篇:DBY型襯氟電動隔膜泵
相關推薦:
DBY型電動隔膜泵 DBY型渦輪電動隔膜泵 DBY型襯氟電動隔膜泵 |